Peterbilt Turn Signal Flasher Location . the turn signal circuit starts at the switch. i cannot find a flasher brick anywhere.the flasher actually seems to be in the instrument cluster. Just the module above the radio and the switch on the column. Check the g4 fuse underhood fuse box. spent a few hours today trying to figure out why the flashers or turn signals on the semi suddenly don't light. peterbilt motors company reserves the right to make changes at any time without notice. the turn signal flasher is located behind the tachometer, speedometer and other gauges that are mounted (air pressure gauge,. is the lr turn out on the rear? about press copyright contact us creators advertise developers terms privacy policy & safety how youtube. The signal then goes to the cecu (cab controller). Safety alerts please read and follow all of. peterbilt says there’s no relay or flasher for a 2007. All of the g fuses are for lighting.
from www.2carpros.com
peterbilt motors company reserves the right to make changes at any time without notice. Safety alerts please read and follow all of. is the lr turn out on the rear? about press copyright contact us creators advertise developers terms privacy policy & safety how youtube. Check the g4 fuse underhood fuse box. The signal then goes to the cecu (cab controller). i cannot find a flasher brick anywhere.the flasher actually seems to be in the instrument cluster. the turn signal circuit starts at the switch. Just the module above the radio and the switch on the column. peterbilt says there’s no relay or flasher for a 2007.
Where Is the Turn Signal Flasher Located?
Peterbilt Turn Signal Flasher Location Check the g4 fuse underhood fuse box. All of the g fuses are for lighting. the turn signal flasher is located behind the tachometer, speedometer and other gauges that are mounted (air pressure gauge,. peterbilt motors company reserves the right to make changes at any time without notice. Check the g4 fuse underhood fuse box. is the lr turn out on the rear? Just the module above the radio and the switch on the column. Safety alerts please read and follow all of. the turn signal circuit starts at the switch. peterbilt says there’s no relay or flasher for a 2007. about press copyright contact us creators advertise developers terms privacy policy & safety how youtube. spent a few hours today trying to figure out why the flashers or turn signals on the semi suddenly don't light. The signal then goes to the cecu (cab controller). i cannot find a flasher brick anywhere.the flasher actually seems to be in the instrument cluster.
From www.2carpros.com
Where Is the Turn Signal Flasher or Relay Located? Peterbilt Turn Signal Flasher Location spent a few hours today trying to figure out why the flashers or turn signals on the semi suddenly don't light. Check the g4 fuse underhood fuse box. i cannot find a flasher brick anywhere.the flasher actually seems to be in the instrument cluster. is the lr turn out on the rear? the turn signal circuit. Peterbilt Turn Signal Flasher Location.
From www.2carpros.com
Where Is the Relay for the Turn Signal Flasher Located? Peterbilt Turn Signal Flasher Location i cannot find a flasher brick anywhere.the flasher actually seems to be in the instrument cluster. is the lr turn out on the rear? The signal then goes to the cecu (cab controller). peterbilt says there’s no relay or flasher for a 2007. about press copyright contact us creators advertise developers terms privacy policy & safety. Peterbilt Turn Signal Flasher Location.
From www.mylittlesalesman.com
2003 Peterbilt 379 Turn Signal Switch For Sale Spencer, IA 25194839 Peterbilt Turn Signal Flasher Location Safety alerts please read and follow all of. i cannot find a flasher brick anywhere.the flasher actually seems to be in the instrument cluster. Check the g4 fuse underhood fuse box. spent a few hours today trying to figure out why the flashers or turn signals on the semi suddenly don't light. is the lr turn out. Peterbilt Turn Signal Flasher Location.
From www.amazon.com
2Pcs Turn Signal Fit for Peterbilt,31 LED Triangle Amber Peterbilt Turn Signal Flasher Location Safety alerts please read and follow all of. the turn signal flasher is located behind the tachometer, speedometer and other gauges that are mounted (air pressure gauge,. The signal then goes to the cecu (cab controller). spent a few hours today trying to figure out why the flashers or turn signals on the semi suddenly don't light. . Peterbilt Turn Signal Flasher Location.
From schematicdataeva.z6.web.core.windows.net
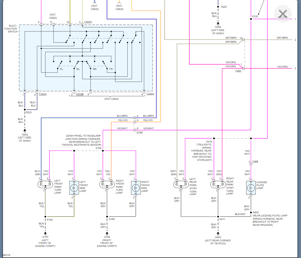
Peterbilt Turn Signal Wiring Diagram Peterbilt Turn Signal Flasher Location the turn signal circuit starts at the switch. Just the module above the radio and the switch on the column. The signal then goes to the cecu (cab controller). peterbilt says there’s no relay or flasher for a 2007. All of the g fuses are for lighting. spent a few hours today trying to figure out why. Peterbilt Turn Signal Flasher Location.
From www.justanswer.com
Peterbilt Flasher Relay Location & Wiring Diagrams JustAnswer Peterbilt Turn Signal Flasher Location the turn signal flasher is located behind the tachometer, speedometer and other gauges that are mounted (air pressure gauge,. peterbilt motors company reserves the right to make changes at any time without notice. Just the module above the radio and the switch on the column. All of the g fuses are for lighting. Check the g4 fuse underhood. Peterbilt Turn Signal Flasher Location.
From irate4x4.com
Peterbilt Turn Signal Flasher Location Safety alerts please read and follow all of. All of the g fuses are for lighting. the turn signal flasher is located behind the tachometer, speedometer and other gauges that are mounted (air pressure gauge,. The signal then goes to the cecu (cab controller). Check the g4 fuse underhood fuse box. the turn signal circuit starts at the. Peterbilt Turn Signal Flasher Location.
From www.youtube.com
05 Kenworth W900 Flasher Relay Location YouTube Peterbilt Turn Signal Flasher Location about press copyright contact us creators advertise developers terms privacy policy & safety how youtube. All of the g fuses are for lighting. the turn signal flasher is located behind the tachometer, speedometer and other gauges that are mounted (air pressure gauge,. Check the g4 fuse underhood fuse box. peterbilt says there’s no relay or flasher for. Peterbilt Turn Signal Flasher Location.
From www.justanswer.com
Peterbilt Flasher Relay Location & Wiring Diagrams JustAnswer Peterbilt Turn Signal Flasher Location i cannot find a flasher brick anywhere.the flasher actually seems to be in the instrument cluster. about press copyright contact us creators advertise developers terms privacy policy & safety how youtube. the turn signal flasher is located behind the tachometer, speedometer and other gauges that are mounted (air pressure gauge,. Safety alerts please read and follow all. Peterbilt Turn Signal Flasher Location.
From www.youtube.com
How to locate and find the correct vehicle's flasher replay for turn Peterbilt Turn Signal Flasher Location Safety alerts please read and follow all of. spent a few hours today trying to figure out why the flashers or turn signals on the semi suddenly don't light. i cannot find a flasher brick anywhere.the flasher actually seems to be in the instrument cluster. is the lr turn out on the rear? the turn signal. Peterbilt Turn Signal Flasher Location.
From www.2carpros.com
Flasher My Turn Signals and Emergency Flashers Do Not Work. Where... Peterbilt Turn Signal Flasher Location All of the g fuses are for lighting. Check the g4 fuse underhood fuse box. about press copyright contact us creators advertise developers terms privacy policy & safety how youtube. The signal then goes to the cecu (cab controller). Just the module above the radio and the switch on the column. i cannot find a flasher brick anywhere.the. Peterbilt Turn Signal Flasher Location.
From www.vortexbuicks-etc.com
Turn Signal Flasher Location Peterbilt Turn Signal Flasher Location Just the module above the radio and the switch on the column. the turn signal circuit starts at the switch. i cannot find a flasher brick anywhere.the flasher actually seems to be in the instrument cluster. The signal then goes to the cecu (cab controller). spent a few hours today trying to figure out why the flashers. Peterbilt Turn Signal Flasher Location.
From www.justanswer.com
Need help finding out the issue with a new turn signal switch i bought Peterbilt Turn Signal Flasher Location is the lr turn out on the rear? Safety alerts please read and follow all of. peterbilt motors company reserves the right to make changes at any time without notice. The signal then goes to the cecu (cab controller). Just the module above the radio and the switch on the column. spent a few hours today trying. Peterbilt Turn Signal Flasher Location.
From www.2carpros.com
Where Is the Turn Signal Flasher Located? Peterbilt Turn Signal Flasher Location i cannot find a flasher brick anywhere.the flasher actually seems to be in the instrument cluster. Safety alerts please read and follow all of. the turn signal flasher is located behind the tachometer, speedometer and other gauges that are mounted (air pressure gauge,. All of the g fuses are for lighting. spent a few hours today trying. Peterbilt Turn Signal Flasher Location.
From annawiringdiagram.com
Turn Signal Flasher Wiring Diagram Wiring Diagram Peterbilt Turn Signal Flasher Location about press copyright contact us creators advertise developers terms privacy policy & safety how youtube. the turn signal flasher is located behind the tachometer, speedometer and other gauges that are mounted (air pressure gauge,. is the lr turn out on the rear? Safety alerts please read and follow all of. The signal then goes to the cecu. Peterbilt Turn Signal Flasher Location.
From circuitkokubusaou.z14.web.core.windows.net
Turn Signal Wiring Diagrams Peterbilt Turn Signal Flasher Location i cannot find a flasher brick anywhere.the flasher actually seems to be in the instrument cluster. peterbilt motors company reserves the right to make changes at any time without notice. about press copyright contact us creators advertise developers terms privacy policy & safety how youtube. spent a few hours today trying to figure out why the. Peterbilt Turn Signal Flasher Location.
From www.2carpros.com
Where Is the Turn Signal Flasher Located Peterbilt Turn Signal Flasher Location All of the g fuses are for lighting. is the lr turn out on the rear? Check the g4 fuse underhood fuse box. peterbilt says there’s no relay or flasher for a 2007. The signal then goes to the cecu (cab controller). spent a few hours today trying to figure out why the flashers or turn signals. Peterbilt Turn Signal Flasher Location.
From schematicdataeva.z6.web.core.windows.net
Peterbilt Turn Signal Wiring Diagram Peterbilt Turn Signal Flasher Location about press copyright contact us creators advertise developers terms privacy policy & safety how youtube. the turn signal flasher is located behind the tachometer, speedometer and other gauges that are mounted (air pressure gauge,. The signal then goes to the cecu (cab controller). Just the module above the radio and the switch on the column. Safety alerts please. Peterbilt Turn Signal Flasher Location.